段付ガイドピース
機能と特徴
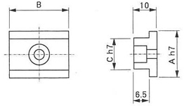
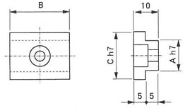
- CNC円テーブル本体、テールストック、サイドテーブル、サイドスピンドルなど、相手機械のT溝の巾に合わせるためにガイドピースを用いる製品では、標準ガイドピースのほかに、段付ガイドピースがあります。
- 以下の表では、巾Aが製品側、巾Cが相手機械側T溝巾となります。
| 型式 GP-A-B-C | 六角穴付 ボルト | 図 |
| GP-14-25-12 | M6×12 | ![]() |
| GP-16-25-12 | ||
| GP-16-25-14 | ||
| GP-18-25-12 | ||
| GP-18-25-14 | ||
| GP-18-25-16 | ||
| GP-12-25-14 | M6×12 | ![]() |
| GP-12-25-16 | ||
| GP-12-25-18 | ||
| GP-14-25-16 | ||
| GP-14-25-18 | ||
| GP-16-25-18 | ||
| GP-16-25-20 | ||
| GP-18-25-20 | ||
| GP-14-25-10 | M6×12 (頭部外径9) | ![]() |
| GP-16-25-10 | ||
| GP-18-25-10 | ||






