プルスタッド
良質な素材を選び、適切な熱処理を施していますので、耐摩耗性に優れ、そして長期間に渡り安定した精度を維持します。
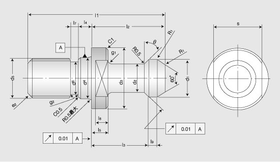
■ 寸法図
■ 適合表
単位mm
| 型番 | タイプ | α | D1 | D2 | D3 | D4 | L1 | L2 | Gネジ | スパナ 掛り巾 |
| 15PB | ブラザー | 45° | 10 | 6.5 | 4 | 7 | 28 | 17 | M6×1 | 8 |
| 15P-1 | JBSⅠ | 75° | 10 | 6.5 | 5 | 7 | 26 | 15 | M6×1 | 8 |
| 15P-2 | JBSⅡ | 90° | ||||||||
| 20P-1 | JBSⅠ | 75° | 12 | 8.5 | 6 | 8.5 | 31.5 | 17.5 | M8×1.25 | 10 |
| 20P-2 | JBSⅡ | 90° | ||||||||
| 20P-1-SP1 | - | 75° | 12 | 8.5 | 6 | 8.5 | 39.5 | 25.5 | M8×1.25 | 10 |
| S20R-1 | JBSⅠ | 75° | 14 | 8.5 | 7 | 9.5 | 34.5 | 20.5 | M8×1.25 | 10 |
| S20R-2 | JBSⅡ | 90° | ||||||||
| 25P-1 | JBSⅠ | 75° | 12 | 8.5 | 7 | 10 | 34 | 20 | M8×1.25 | 10 |
| 25P-2 | JBSⅡ | 90° | ||||||||
| P30T-1 | MASⅠ | 45° | 16.5 | 12.5 | 7 | 11 | 43 | 23 | M12×1.75 | 13 |
| P30T-2 | MASⅡ | 60° | ||||||||
| P35TR | 碌々産業 | 45° | 18 | 13 | 7 | 10 | 43 | 25 | M12×1.75 | 14 |
| P35T-1 | MASⅠ | 45° | 20 | 12.5 | 8.5 | 13 | 48 | 28 | M12×1.75 | 17 |
| P35T-2 | MASⅡ | 60° | ||||||||
| P40T-1 | MASⅠ | 45° | 23 | 17 | 10 | 15 | 60 | 35 | M16×2 | 19 |
| P40T-2 | MASⅡ | 60° | ||||||||
| P45T-1 | MASⅠ | 45° | 31 | 21 | 14 | 19 | 70 | 40 | M20×2.5 | 24 |
| P45T-2 | MASⅡ | 60° | ||||||||
| P50T-1 | MASⅠ | 45° | 38 | 25 | 17 | 23 | 85 | 45 | M24×3 | 30 |
| P50T-2 | MASⅡ | 60° |
- プルスタッドは、ご使用の機械により工機メーカーの標準的な仕様と異なることがあります。お客様のお手元にある機械の仕様書をご確認の上、型番選定をしてください。
- 上記標準以外の特殊サイズも取り扱っていますので、お問い合わせください。
プルスタッド(中心穴付き)
良質な素材を選び、適切な熱処理を施していますので、耐摩耗性に優れ、そして長期間に渡り安定した精度を維持します。
■ 寸法図
■ 適合表
単位mm
| 型番 | タイプ | α | D1 | D2 | D3 | D4 | d1 | L1 | L2 | Gネジ | スパナ 掛り巾 |
| P30T-1C | MASⅠ | 45° | 16.5 | 12.5 | 7 | 11 | 2.5 | 43 | 23 | M12×1.75 | 13 |
| P30T-1CF | ファナック | 45° | 8 | 4 | |||||||
| P30T-2C | MASⅡ | 60° | 16.5 | 12.5 | 7 | 11 | 2.5 | 43 | 23 | M12×1.75 | 13 |
| P30TB | ブラザー | 60° | 7.5 | ||||||||
| 30P-C | JIS | 75° | 16.5 | 12.5 | 8 | 12 | 4 | 43 | 23.4 | M12×1.75 | 13 |
| P40T-1C | MASⅠ | 45° | 23 | 17 | 10 | 15 | 4 | 60 | 35 | M16×2 | 19 |
| P40T-2C | MASⅡ | 60° | |||||||||
| 40P-C | JIS | 23 | 17 | 14 | 19 | 7 | 54 | 29 | M16×2 | 19 | |
| P50T-1C | MASⅠ | 45° | 38 | 25 | 17 | 23 | 5 | 85 | 45 | M24×3 | 30 |
| P50T-2C | MASⅡ | 60° |
- プルスタッドは、ご使用の機械により工機メーカーの標準的な仕様と異なることがあります。お客様のお手元にある機械の仕様書をご確認の上、型番選定をしてください。
- 上記標準以外の特殊サイズも取り扱っていますので、お問い合わせください。
プルスタッド規格表
プルスタッド規格表





