特殊コレットチャックユニット
ユキワ精工は、スプリングコレット単品のほか、スプリングコレットを用いたチャックユニットの設計・製作も行っております。過去の製作実績の中からお客様の希望に合うチャックユニットがあると思いますので、弊社営業所までお問い合わせください。
旋盤・専用機用コレットチャックユニット
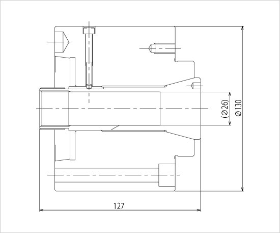
外径把握・引き型 グリーソン歯切盤用チャックユニット
- ドローバを左に引き、ワークをチャックします。
- 剛性が高く、高精度が期待できる引き型コレットを採用しています。
- ワークを引込みながらチャックするため、軸方向の位置決めをするストッパを設けています。
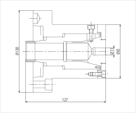
外径把握・引き型 旋盤(A5)用チャックユニット
- ドローバを左に引き、ワークをチャックします。
- 剛性が高く、高精度が期待できる引き型コレットを採用しています。
- JIS B6109 旋盤の主軸端に適合する取り付け部を有する相手側に取付可能です。
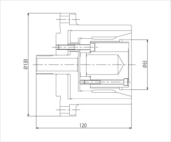
外径把握・引き型 瀧澤鉄工TC-10 用チャックユニット
- ドローバを左に引き、ワークをチャックします。
- 剛性が高く、高精度が期待できる引き型コレットを採用しています。
- 瀧澤鉄工TC-10主軸に適合する取り付け部を持ち、中心部にエアブロー供給穴を設けています
- ワークの軸方向位置決めは、段取り換えにより中心部または外周部のどちらかを使用できる仕様です。
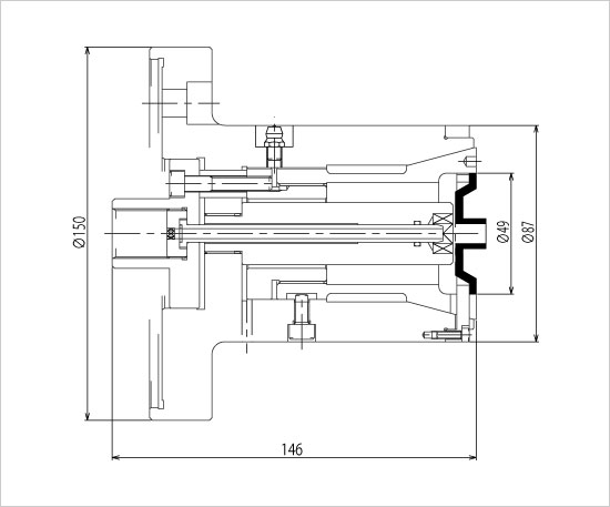
外径把握・引き型 グリーソン歯切盤用アーバ(長尺ワーク把握)
- ドローバを左に引き、ワークをチャックします。
- タンラインコレットを使用しています。
- 長尺ワークを安定して把握するため、コレット前部、中間部に2段のテーパがあります。
- チャック動作は前部のテーパで把握後、さらに引き込むことで中間部のテーパが効いて把握します.
外径把握・引き型 グリーソン歯切盤用アーバ(ワークの2箇所把握)
- ドローバを左に引き、ワークをチャックします。
- バースグリップコレットを使用しています。
- コレットの前部、後部に逆向きのテーパを設け、ワークの2箇所の径を把握します。
- コレットの右端にワークの軸方向位置決めストッパを設け、着座確認用エアを供給しています。
外径把握・静止型 チャックユニット
- スリーブを右側へ押し出すことによりチャックします。
- 静止型はチャック時にコレット自体が動くことがなく、ワーク位置がチャック径のバラツキで左右されることが少なくなります。
- 引き型に比較すると、剛性、精度は不利になります。
外径把握・静止型 旋盤(A5)用チャックユニット
- スリーブを右側へ押し出すことによりチャックします。。
- 静止型はチャック時にコレット自体が動くことがなく、ワーク位置がチャック径のバラツキで左右されることが少なくなります。
- JIS B6109 旋盤の主軸端に適合する取り付け部を有する相手側に取付可能です。
内径把握・ダブルテーパ型 チャックユニット
- ドローバーを左に引くことでコレットを開き、ワークの内径をチャックします。
- コレットに両側から交互にスリ割りが入っているので平行に広がります。
- 両テーパの距離をとるとコレットを長くできるので、自由状態の絞りを多めにとれます。
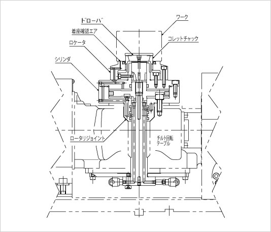
CNC円テーブル用コレットチャックユニット
CNC円テーブルに取り付けるチャックユニットの設計・製作も行っています。過去の製作実績の中からお客様の希望に合うチャックユニットがあると思いますので、弊社営業所までお問い合わせください。
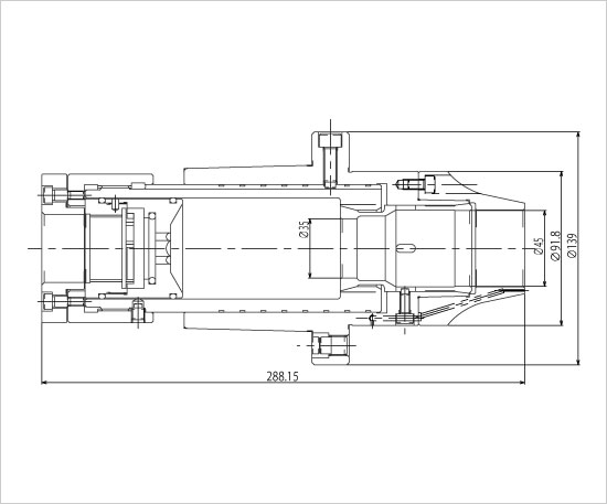
内径把握 チャックユニット

ワーク内径把握用コレットチャックユニット
(CNC傾斜円テーブル TNT100)

ワーク内径把握用コレットチャックユニット
(CNC傾斜円テーブル TNT100)
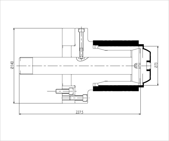
内径把握 チャックユニット

ワーク内径把握用コレットチャックユニット
(CNC傾斜円テーブル TRB140)

ワーク内径把握用コレットチャックユニット
(CNC傾斜円テーブル TRB140)



