HSKホルダ
YHL フランジ型クランプセット
YHLフランジ型クランプセットは、NC旋盤のタレットやATCを持たない専用機で、HSKホルダを簡単に手動交換することができるフランジ型ユニットです。フランジ型クランプセットYHL-C型では、センタースルークーラントに対応します。
工具交換の時間を短縮します!
HSKホルダの着脱は、六角レンチをフランジ側面のレンチ穴に差し込み120°回転させるだけでクランプ・アンクランプすることができ、ホルダ交換時の煩わしさがなく工具交換時間の短縮が図れます。
YHL フランジ型クランプセット
■ 型番説明
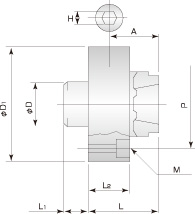
■ 寸法図
■ 適合表
- 上記標準以外の特殊サイズも製作致しますので、お問い合わせください。
- HSKホルダ(Form A, Form C)に使用可能です。他のFormにつきましては、特殊対応にて製作致します。
YHL-Cフランジ型クランプセット (センタースルー対応型)
■ 型番説明
■ 寸法図
- 上記標準以外の特殊サイズも製作致しますので、お問い合わせください。
- HSKホルダ(Form A, Form C)に使用可能です。他のFormにつきましては、特殊対応にて製作致します。




