ユキワ精工株式会社

Japanese | USA | English | Korea
  • 各種テーパシャンク規格表
  • マシニングセンタ用
    テーパシャンク規格表
  • フライス盤用アーバ端
    JIS規格表
  • ジャコブステーパシャンク
    ISO規格表
  • モールステーパシャンク
    JIS規格表 (タング式シャンク)
  • モールステーパシャンク
    JIS規格表 (ねじ付シャンク)
  • モールステーパシャンク
    JIS規格表 (タング付ソケット)
  • アジャスタブル
    ストレートシャンク
    スピンドル端規格表
    (TES参考規格)
  • アジャスタブル
    ストレートシャンク
    スピンドル端規格表 (ISO規格)
  • << 各種テーパシャンク規格表
  • << 前のページに戻る

G1チャックスペシャルサイト ユキワ精工

グリーンG1チャックがグッドデザイン賞を受賞

当社製品のCADデータをダウンロード

お問い合わせ 製品に関する事などお気軽にお寄せ下さい。

ホーム

>

製品案内

>

ツーリングシステム(ツールホルダー)

>

各種テーパシャンク規格表

各種テーパシャンク規格表

ユキワ精工 ツーリングシステム

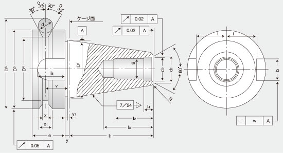
マシニングセンタ用テーパシャンク規格表

マシニングセンタ用テーパシャンク規格表
マシニングセンタ用テーパシャンク規格表
マシニングセンタ用テーパシャンク規格表

▲ページのトップへ

フライス盤用アーバ端JIS規格表

フライス盤用アーバ端JIS規格表
フライス盤用アーバ端JIS規格表

▲ページのトップへ

ジャコブステーパシャンクISO規格表

ジャコブステーパシャンクISO規格表
ジャコブステーパシャンクISO規格表

▲ページのトップへ

  • 会社案内

  • ご挨拶
  • ユキワブランド
  • 事業所ネットワーク
  • 会社概要
  • 会社沿革
  • リンク
  • 製品案内

  • ツーリングシステム
  • ドリルチャック
  • コレットチャック
  • CNC円テーブル・割出台
  • 企業戦略

  • 企業戦略
  • 品質への取り組み
  • 環境への取り組み
  • 安全への取り組み
  • 日本産業規格
  • 採用情報

  • 新卒者 募集
  • キャリア技術者 募集
  • ユキワ精工について
  • 採用情報 Q&A
  • 現在のいち押し製品

  • グリーンG1チャック
  • 展示会情報

  • 展示会出展予定
  • 展示会出展履歴
  • 事業所

  • 東京営業所
    名古屋営業所
    大阪営業所
    本社営業課
    アジア営業部
    本社貿易部(欧米)
  • コンプライアンス

  • プライバシーポリシー
  • 弊社製品に関する注意事項
  • 公開情報

  • トピックス
  • プレスリリース
  • 生産中止製品について
  • お問い合わせ

  • サイトマップ
  • お問い合わせ

Copyright © 2013 YUKIWA SEIKO INC. All right reserved.