Japanese |
USA
|
English
|
Korea
各種テーパシャンク規格表
マシニングセンタ用
テーパシャンク規格表
フライス盤用アーバ端
JIS規格表
ジャコブステーパシャンク
ISO規格表
モールステーパシャンク
JIS規格表 (タング式シャンク)
モールステーパシャンク
JIS規格表 (ねじ付シャンク)
モールステーパシャンク
JIS規格表 (タング付ソケット)
アジャスタブル
ストレートシャンク
スピンドル端規格表
(TES参考規格)
アジャスタブル
ストレートシャンク
スピンドル端規格表 (ISO規格)
<< 各種テーパシャンク規格表
<< 前のページに戻る
ホーム
>
製品案内
>
ツーリングシステム(ツールホルダー)
>
各種テーパシャンク規格表
各種テーパシャンク規格表
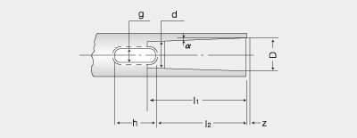
モールステーパシャンクJIS規格表 (タング式シャンク)
▲ページのトップへ
▲ページのトップへ
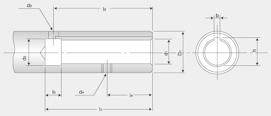
モールステーパシャンクJIS規格表 (ねじ付シャンク)
▲ページのトップへ
▲ページのトップへ
モールステーパシャンクJIS規格表 (タング付ソケット)
▲ページのトップへ
▲ページのトップへ
アジャスタブルストレートシャンクスピンドル端規格表 (TES参考規格)
▲ページのトップへ
▲ページのトップへ
アジャスタブルストレートシャンクスピンドル端規格表 (ISO規格)
▲ページのトップへ
▲ページのトップへ